产品快速通道
当前栏目名
您当前的位置:boyu·博鱼最新买球网 > 产品中心 > 减速机展厅蜗轮蜗杆减速机JRSTDB系列

- 产品参数:
- 产品型号: JRSTDB
- 额定功率:可匹配0.18KW~15KW
- 电压:null
- 转速/极数:null
- 减速比:1/7.5-1/100
- 安装方式:null
详细参数
蜗轮蜗杆减速机JRSTDB系列产品特点:
蜗轮蜗杆减速机JRSTDB系列和其它系列的蜗轮蜗杆减速器或减速箱有一定区别,它没有入力轴及出力轴,采用法兰安装方式,减速机法兰盘为常见的圆形法兰盘。蜗轮蜗杆减速机JRSTDB系列箱体采用优质铝合金压力铸造,确保强度。采用立式加工中心一次装夹加工完成,确保加工精度。采用三坐标测量机检测,确保箱体各项尺寸、形位精度。
蜗杆生产线 :采用全功能数控车床加工蜗杆齿坯,确保齿坯加工精度。 蜗轮蜗杆减速机JRSTDB系列采用优质低碳合金钢渗碳淬火,WP、JRSS蜗杆采用中碳合金钢表面淬火,确保蜗杆强度。采用高精度数控蜗杆磨床磨齿,确保零件精度。采用齿轮测量中心检测,确保蜗杆各项精度符合要求。
蜗轮蜗杆减速机JRSTDB系列多置式蜗杆减速机产品采用欧洲技术,结构紧凑,体积小,重量轻,噪音低,效率高,承载能力大,具有多种联接结构和安装方式,通用性强。
蜗轮蜗杆减速机JRSTDB系列安装注意事项:
1: 减速机须安装在平整坚固的底座上,底脚螺栓必须紧固、防震。
2 :原动机--减速机--工作机的各联接轴伸.安装后必须互相准确对准轴线。
3 :减速机输入端及输出端轴伸外径尺寸公差按h6制作,与之相匹配的联轴器、皮带轮、链轮等传动件内孔需按合适的公差尺寸配置,避免装配过紧损坏轴承,装配过松影响正常的动力传递。
4 :链轮、齿轮等传动件装上轴伸时,应尽量靠近轴承,以减少轴伸弯曲应力。
5 :减速机装配电机时,应在蜗杆头部内孔孔壁及链槽处涂抹黄油,避免装西乙丈紧,防止轴孔日久生锈。
6 :使用各类电机直联型减速机时.若电机重量偏大.应设支撑装置。
蜗轮蜗杆减速机JRSTDB系列使用注意:
1 :使用前应注意检查减速机型式结构、中心距规格、传动比、输入轴联接方式、输出轴结构、输入轴输出轴轴指向和回转方向等是否符合使用要求,蜗杆输入转速最高不宜超过2000r/min。一般使用范围为600-1800r/min.
2 :开机时应逐步施加载荷,不能满载起动。
3 :型号25-90减速机仅设加油孔.出厂时减速机内已加好ISO VG320合成润滑油。用户无需加油.机器连续运转约10000小时后,应该更换新润滑油。
4 :型号110-150减速机设有加油孔、放油孔和油标,减速机内已加ISO VG460矿物润滑油,用户在使用前须拉掉通气器上的栩胶环。首次运行500小时后更换新油.以后每隔约5000小时换油一次。
5 :减速机允许最高油温为95,超过时应停机检查。
6 :若减速机使用环境温度超过或低于表中规定使用环境温度
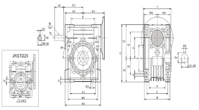
蜗轮蜗杆减速机JRSTDB系列详细图纸及参数说明:






粤ICP备11012611号
