boyu·博鱼最新买球网

招商加盟
服务
留言
联系方式

当前栏目名

您当前的位置:boyu·博鱼最新买球网 > 产品中心 > 减速机展厅

蜗轮丝杆减速机JRSS-R系列

蜗轮丝杆减速机JRSS-R系列
产品参数:
产品型号: JRSS-R/T/S/H
额定功率:null
电压:null
转速/极数:null
减速比:null
安装方式:null

详细参数

  蜗轮丝杆减速机JRSS-R系列产品传动效率高,低噪音,低振 动,低温升,长寿命,无泄漏,体积小,传动扭矩大,模块化设计,速比覆盖范围大,安装形式多样,适合各种工业应用场合。  

l  低噪音 所有齿轮运用独特低噪声设计和加工技术;箱体减振降噪优化设计;
轴承间隙装配调整控制技术。
2
无滲漏 输出轴采用特殊的磨削工艺;输出轴采用不同的热处理方法;
采用高品质的平面密封胶和螺纹紧固胶;油封唇口涂布特殊的高温润滑脂。
3 长寿命 采用进口原装一流品牌的轴承、油封;先进的热处理技术,齿轮内在质量有了可靠的保证;使用高品质的润滑油,确保产品长寿命使用。

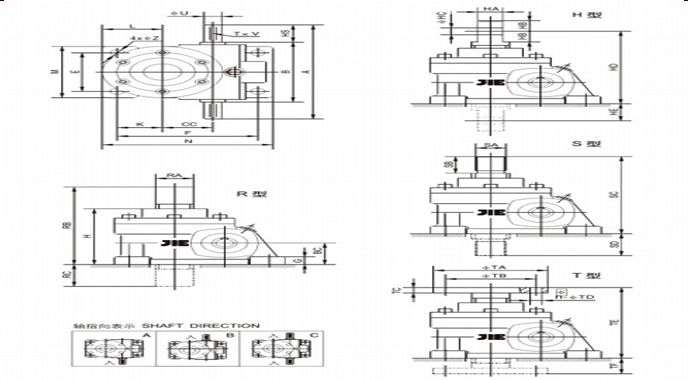
蜗轮丝杆减速机JRSS-R系列详细图纸:

蜗轮丝杆减速机JRSS-R系列详细图纸蜗轮丝杆减速机JRSS-R系列详细图纸

上一个产品:无段变速机

下一个产品:东元卧式三相普通马达